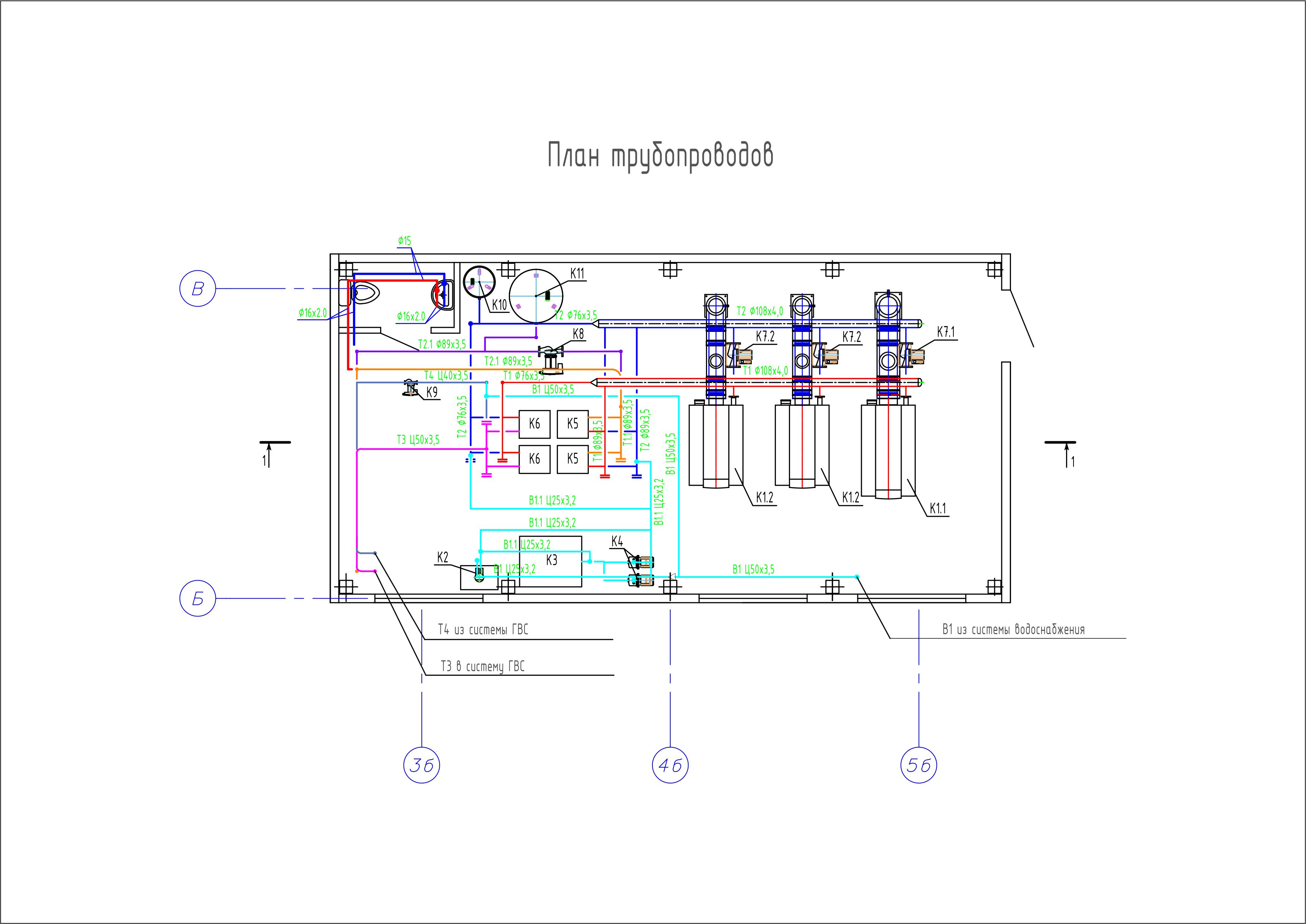
Топливо: Газовая котельная Приблизительные сроки выполнения: от 5 недель
Проектирование котельных – комплекс работ, осуществляемый специализированными организациями и включающий в себя составление предпроектной документации, выбор оборудования, создание проекта.
Поскольку котельные являются сооружениями повышенной опасности, требования к ним детально прописаны в технических нормативных актах (например, СНиП II-35-76). Однако и в рамках установленных законом существуют варианты технических решений, подходящих конкретному сооружению. К примеру, многоквартирные жилые дома можно оборудовать крышной или пристроенной котельной, а общественные здания – встроенной, пристроенной или крышной.
Строгий контроль качества на всех этапах производства
Мы обладаем более чем двадцатилетним опытом работы на рынке и используем проверенные технологические решения.
Для обеспечения спокойствия наших клиентов мы предоставляем расширенную гарантию до 5 лет и гарантируем полное сервисное обслуживание.
Мы предлагаем полный цикл работ, от проектирования до пусконаладочных работ, что позволяет нам гарантировать безупречный результат.
Все наши продукты сертифицированы и соответствуют как российским ГОСТам, так и международным стандартам качества.
| Наименование работ | Стоимость |
| Теплотехнический расчет | 50 000 руб |
| Получение технических условий | 100 000 руб |
| Сбор исходных данных | 130 000 руб |
| Проект стадия П | от 600 000 руб |
| Проект стадия Р | от 700 000 руб |
| Комплекс П + Р + Спецразделы | от 1 600 000 руб |
Топливо: Газовая котельная Приблизительные сроки выполнения: от 5 недель
Топливо: Газовая котельная Приблизительные сроки выполнения: от 8 недель
Топливо: Газовая котельная Приблизительные сроки выполнения: от 10 недель
Топливо: Газовая котельная Приблизительные сроки выполнения: от 10 недель
Топливо: Газовая котельная Приблизительные сроки выполнения: от 12 недель
Топливо: Газовая котельная Приблизительные сроки выполнения: от 12 недель
|
Вид работ |
Стоимость |
|
Выезд специалиста |
Бесплатно |
|
Разработка подробного ТЗ |
от 100 000 руб. |
|
Создание проекта автоматизации |
от 600 000 руб. |
|
Установка погод зависимой автоматики |
от 800 000 руб. |
|
Каскадное управление котлами |
От 500 000 руб. |
|
Разработка шкафа управления |
от 900 000 руб. |
Автоматизация котельной, цены на 13.05.2026

Начинаем со сбора первичной информации, чтобы определить поставленную задачу и цели установки котельной. В рамках этого этапа мы проводим диагностику существующих внутренних тепловых сетей и систем отопления (для объектов, которые уже эксплуатируются). После этого согласовываем техническое задание с Заказчиком. Если у Вас уже имеется техническое задание, мы его анализируем и, при необходимости, вносим дополнения.
Выбор оптимальной конструктивной схемы и технологических решений. Мы осуществляем разработку базовой тепломеханической компоновки котельного оборудования. В ходе работы мы подготовим коммерческое предложение. Далее, мы проведем согласование с Заказчиком предварительного технико-коммерческого предложения и списка основного оборудования, которое будет использоваться в проекте котельной.
В ходе переговоров с Заказчиком уточняются основные положения и структура договора. Стороны приходят к соглашению относительно сроков исполнения работ, их поэтапной реализации и определяется график оплаты услуг. После договор подписывается обеими сторонами, как в традиционном бумажном формате, так и в электронном виде.
Подготовка комплекта документов, необходимых для получения разрешения на строительство. Готовая проектная документация передается Заказчику в электронном виде (PDF, исходный файл), а также на бумажном носителе.
Проверка соответствия проекта нормативным требованиям и стандартам безопасности. Сдаем необходимые разделы для прохождения экспертизы.
После прохождения экспертизы, приступаем к составлению подробных чертежей и спецификаций, необходимых для строительства.
Получение одобрения от всех заинтересованных сторон (заказчика, контролирующих органов). Формируем комплект РД для выдачи Заказчиком для начала монтажа.
Контроль за ходом строительства со стороны проектировщиков для обеспечения соответствия объекта проектной документации. Заказчику передаются итоговые чертежи в формате pdf и исходниках в оговоренном в договоре формате. При монтаже и строительстве объектов оперативно вносим изменения в разработанные нами разделы рабочей документации при необходимости.
Применение инновационных подходов и инструментов позволит создать более эффективные, безопасные и экологически чистые системы отопления.
В 2026 году проектирование котельных будет активно развиваться, интегрируя передовые технологии, отвечающие современным тенденциям и требованиям рынка. Ожидается внедрение ряда инноваций, направленных на повышение эффективности, безопасности и экологичности систем теплоснабжения.
Интеллектуальные
системы
управления:
- Системы управления на основе искусственного интеллекта (ИИ): Использование ИИ позволит точно прогнозировать тепловые нагрузки и оптимизировать работу котлов, для точного регулирования параметров температуры, расхода топлива и давления.
- Дистанционное управление обеспечит постоянный контроль состояния котельной. Это позволит удаленно управлять системой и оперативно реагировать на изменения или сбои в работе.
Энергоэффективные
котлы
будущего:
В сфере отопления наблюдается тенденция к повышению энергоэффективности котельных установок.
- Развитие конденсационных технологий:
будущие поколения конденсационных котлов будут оснащены усовершенствованными системами конденсации, обеспечивающими коэффициент полезного действия (КПД) более 98% за счет эффективного использования тепла отходящих газов.
- Переход на альтернативные виды топлива:
широкое распространение получат котлы, работающие на водороде и биомассе. Это позволит существенно сократить выбросы углерода и минимизировать зависимость от традиционных ископаемых видов топлива.
Использование
возобновляемых
источников энергии:
- Гибридные системы:
интеграция традиционных котлов с солнечными коллекторами и тепловыми насосами позволит оптимизировать использование доступных энергетических ресурсов и уменьшить нагрузку на централизованные системы энергоснабжения.
- Системы накопления энергии:
внедрение систем хранения избыточной энергии обеспечит более эффективное управление потреблением тепла и снизит расходы на отопление.
Автоматизация
и цифровизация
- Создание виртуальных моделей компонентов котельных и технологических процессов способствует совершенствованию проектирования и управления ресурсами. Это необходимо для минимизации рисков и быстрой настройки системы.
- Применение блокчейна может быть использовано для управления поставками ресурсов, повышения квалификации персонала и обеспечения прозрачности в отношении энергопотребления и выброса углерода.
Проектирование
и экология
- В проектировании новых котельных будет уделено особое внимание внедрению передовых технологий очистки выбросов, включая системы фильтрации и утилизации отходов. Данные меры направлены на минимизацию негативного воздействия на окружающую среду, посредством снижения вредных выбросов.
- Важным аспектом проектирования станет также использование экологически чистых материалов и приемов в строительстве, позволяющих создать котельные с минимальным воздействием на окружающую среду.
Повышение
безопасности:
- Для обеспечения максимальной безопасности персонала и оборудования будут внедрены комплексные системы безопасности, включающие автоматические системы защиты от перегрева, утечек и других возможных аварийных ситуаций.
- Кроме того, для оценки рисков и гарантии надежной работы котельных в различных условиях эксплуатации будут активно использоваться современные методы анализа данных.